What is a solid-state transformer in an energy storage system?
With the development of power electronics technology and semiconductors, the application of solid-state transformers (SST) has become increasingly mature. Solid-state transformers are also known as power electronic transformers (PET), and they achieve the functions of traditional transformers through power electronic technology. Solid-state transformers are a new type of power transformer that have gradually developed in recent years along with the development of high-power power electronic technology.
On the basis of realizing the basic functions of conventional power transformers such as voltage level transformation, electrical isolation, and energy transfer, they can also achieve many additional functions such as power flow control and power quality control. This is because they can actually control various electrical parameters including the amplitude, phase, frequency, number of phases, phase sequence, and waveform of voltage (or current).
In terms of structure, it consists of two basic elements: power electronic converters and medium (high) frequency transformers. Power electronic converters mainly include power electronic devices, controllers, filters, and auxiliary equipment, and mainly complete protection and power transformation and control functions; the function of the high-frequency transformer is isolation and voltage level transformation. The frequency usually operates at the kilohertz (kHz) level, and the purpose of high frequency is to significantly reduce the volume, weight, and heat dissipation of the transformer, as well as to increase capacity and efficiency.
For example: The 10kV direct-connected low-voltage distribution network case integrating power generation, storage and charging
1. The electrical energy conversion process of a typical SST is divided into three stages.
1.1.AC-DC Rectification Stage:
Using a controllable rectifier (such as a cascaded H-bridge, CHB multi-electricity rectifier), the alternating current voltage at the power frequency is converted into a direct current voltage, while achieving power factor correction and input-side power quality control, and reducing harmonic pollution to the power grid;
1.2. DC - High-frequency AC Inversion Stage:
Through a high-frequency inverter (such as a dual active bridge, DAB converter), the direct current voltage is converted into a high-frequency alternating current voltage (usually at the kHz level, such as 3kHz, 25kHz, 100kHz), providing high-frequency excitation for the high-frequency transformer;
1.3. High-frequency AC-DC/AC Conversion Stage:
After voltage level transformation and electrical isolation by the high-frequency transformer, the high-frequency alternating current is converted into the direct current voltage required by the load (such as 400V/1kV for EV charging) or the power frequency alternating current voltage, completing the final supply of electrical energy.
2. Architecture of Solid-State Transformer (SST)
2.1 Cascaded H-bridge (CHB) and Modular Multilevel (MMC) Architecture
For medium and high voltage distribution networks that connect to 10kV, 35kV or even higher voltage levels, since the withstand voltage capacity of a single power semiconductor device is limited (currently, the mainstream commercial production devices have a voltage range of 650V - 3300V, and a few reach 6500V), directly performing high-voltage conversion through a single tube is not feasible. Therefore, the modular cascading technology has become the preferred route for SST to handle high-voltage inputs.

2.2 Core Isolation Level:
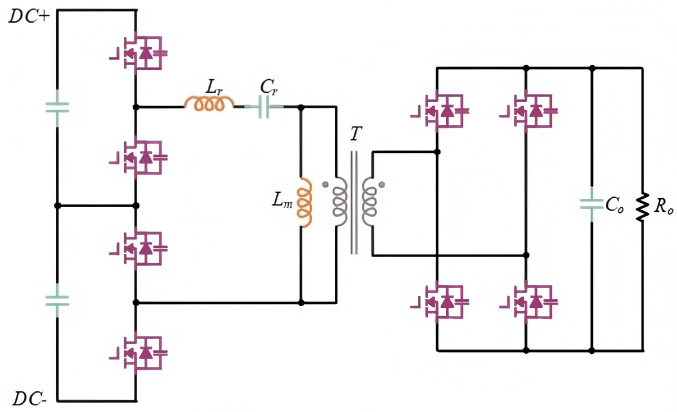
Dual Active Bridge (DAB) Converter Regardless of the high-voltage-side topology adopted, the core component in SST that realizes electrical isolation and voltage conversion is usually a high-frequency DC-DC converter. Among them, the Dual Active Bridge (DAB) is currently the most popular technical route.
Working Principle: DAB controls the phase shift angle of the primary and secondary full-bridge circuits to regulate the size and direction of the power flow, naturally possessing soft-switching (ZVS/ZCS) characteristics.
Frequency and Efficiency Trade-off: To reduce the volume of the intermediate high-frequency transformer (volume is inversely proportional to frequency), the research direction is to continuously increase the switching frequency to 20kHz - 100kHz or even higher. However, as the frequency increases, the switching loss (Switching Loss) will sharply increase. This is precisely the most urgent part for the domestic SST research regarding the demand for silicon carbide devices.
Device Requirements: The DAB level requires power devices to have extremely low switching loss and excellent reverse recovery characteristics. The basic semiconductor SiC MOSFET module (such as the BMF series) with its nanosecond-level switching speed and several times lower turn-off loss compared to Si IGBT becomes a key enabler for achieving high-frequency DAB.

Compared with traditional Si devices, the use of wide bandgap devices such as SiC and GaN can reduce switching loss and conduction loss, further increasing the switching frequency of the system and optimizing its performance. Higher switching frequency will result in smaller voltage and current fluctuations, thus reducing the volume of passive components such as transformers and capacitors, and achieving higher power density. Under the same circuit conditions, in the case of the switching frequency being at the resonant frequency, SiC MOSFET can bring lower loss and higher junction temperature.
At this time, the switching loss of the device is small. If the switching frequency deviates from the resonant frequency, the off-loss of the power device is larger, and the advantages of SiC MOSFET are more obvious. Therefore, using SiC MOSFET can further increase the switching frequency of the converter, thereby reducing the volume of passive components and improving the power density of the system. At the same time, for solid-state circuit breakers, higher-voltage power devices can significantly reduce the number of intermediate coupling units of the solid-state transformer, thereby improving power density and reducing the complexity of control.
To reduce the number of cascades, the voltage level of each unit needs to be increased, for example, from 800V to 1500V after rectifying the grid voltage to the DC bus. Due to the increase in bus voltage, higher requirements are imposed on DCDC converters with isolated circuits. To meet the 1500V bus system, devices can be connected in series, multi-level topologies, or higher-voltage power devices can be used. Considering the execution difficulty and cost-effectiveness, higher-voltage power devices are the most effective way to achieve high bus voltages and reduce the number of cascades.


